欢迎光临菏泽市定陶区自来水公司 上善若水 强企为民
网站首页
关于我们
企业简介
员工风采
企业荣誉
联系我们
新闻中心
城市供水服务
价格收费
办事服务
水质信息
便民公告
安全警示
投诉咨询
业务介绍
当前水价
业务受理
服务网点
缴费方式
政策法规
党群建设
服务大厅
掌上报装
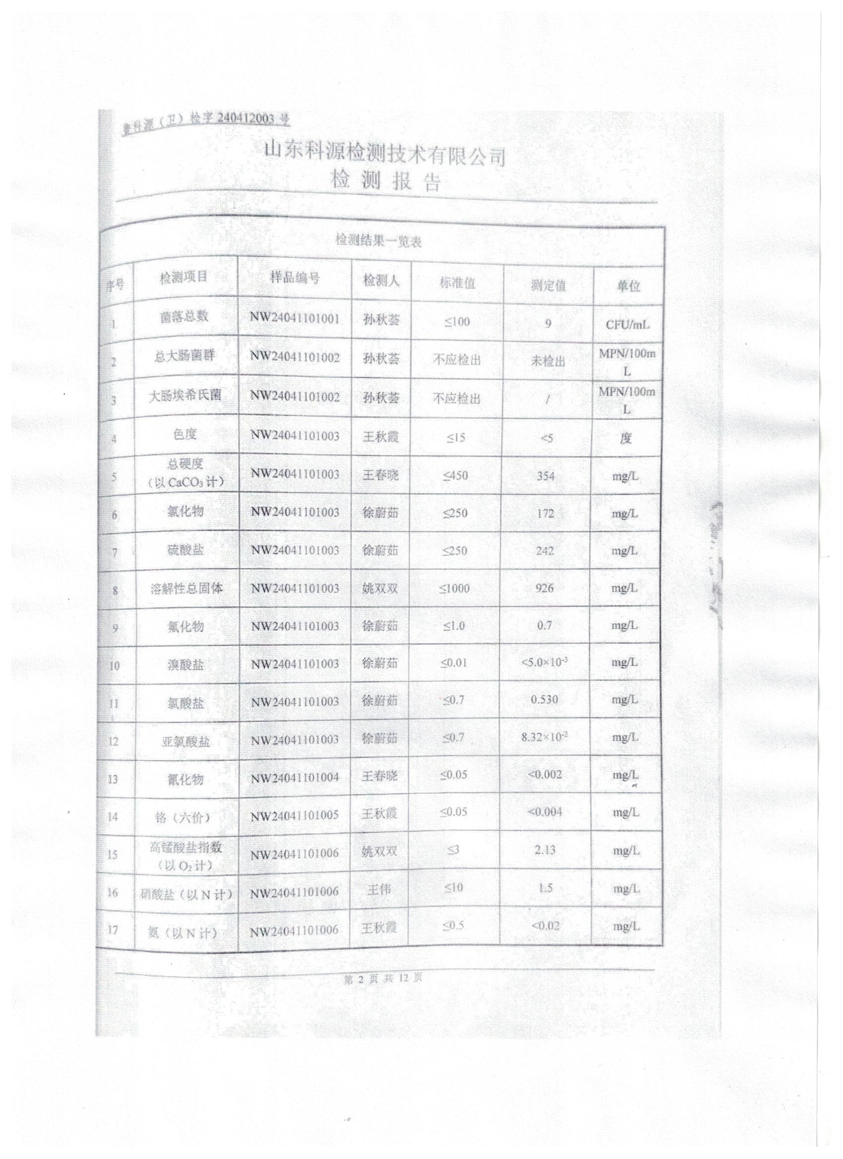
2024年4月水质检测报告
发布日期:2024-7-15 17:02:17
友情链接:
菏泽市人民政府
@2020 版权所有 菏泽市定陶区自来水公司